Sign In | Join Free | My fnxradio.com
China Shenzhen Merrytek Technology Co., Ltd. logo
Shenzhen Merrytek Technology Co., Ltd.
Shenzhen Merrytek Technology Co., Ltd Intelligent Lighting Control
Verified Supplier

10 Years

Home > DALI2.0 Dimmable LED Driver >

35W DALI2 & PUSH Dimming Constant Current LED Driver 500-1050mA With NFC Programmable

Shenzhen Merrytek Technology Co., Ltd.
Trust Seal
Verified Supplier
Credit Check
Supplier Assessment
Contact Now

35W DALI2 & PUSH Dimming Constant Current LED Driver 500-1050mA With NFC Programmable

Brand Name : Merrytek

Model Number : KL35C-PDiiN

Certification : CE

Place of Origin : Shenzhen, China

MOQ : 100pcs

Price : Negotiable

Payment Terms : T/T

Supply Ability : 20,000pcs per month

Delivery Time : 1, Sample and small order: Within 5 working days after receiving your payment. 2, Bulk order: 4-5 weeks after receiving deposit.

Packaging Details : white box+ Instructions Clapboard Outer Carton(K=A)

Operating Voltage : 220-240VAC 50Hz /60Hz

Power Factor : ≥0.95 @230VAC (Full load)

Stand-by Power : ≤0.5W(@230Vac)

Efficiency : 87%Max. @230VAC (Full load)

Operating mode : DALI2 dimming & PUSH dimming

Installation dimension : 136*42.5*24mm

Warranty : 5 years

Output constant current : 500-1050mA

Contact Now

35W DALI2 & PUSH dimming constant current driver NFC programmable LED driver 500-1050mA

【Product Feature

  • Flicker-free for the whole dimming range
  • Stand-by power below 0.5W
  • Primary dimming with a push button
  • NFC technology for wireless programming
  • Built-in DALI interface DT6
  • Centrally-supplied DC emergency operation DT19
  • CLO compensation
  • Protection: short circuit / over temperature/ over voltage
  • Derating the current for a high ambient temperature
  • Push dim with memory function
  • 5-year warranty

【Parameters

Micro series KL10C-PDiiN KL20C-PDiiN KL35C-PDiiN
Input Operating Voltage 198-264Vac 50Hz/60Hz
Rated Input Voltage 220-240Vac 50Hz/60Hz
DC Input Voltage range 200-240Vdc
Input Current 0.06A Max. 0.11A Max. 0.19A Max.
Input Inrush Current <15A (Half current pulse width100μs) @230Vac
Power factor(@230V100% load) ≥ 0.9C ≥ 0.93 ≥ 0.95
Total harmonic distortion Typical:15% (@230Vac, 100% load)
Stand-by power ≤0.5W (@230Vac when PUSH or DALI turn off)
Efficiency(@230Vac,100% load) 81% 86% 87%
Wiring Method 0.75mm2 0.75-1.5mm2

Automatic circuit breaker

KL10C-PDiiN (Calculate current in the wire)
type B10 B13 B16 B20 B25 /
Number 40 50 65 85 100 /
type C10 C13 C16 C20 C25 C32
Number 70 90 110 140 170 220
KL20C-PDiiN (Calculate current in the wire)
type B10 B13 B16 B20 B25 /
Number 25 35 45 55 65 /
type C10 C13 C16 C20 C25 C32
Number 60 70 80 110 130 160
KL35C-PDiiN (Calculate current in the wire)
type B10 B13 B16 B20 B25 /
Number 25 30 40 50 60 /
type C10 C13 C16 C20 C25 C32
Number 40 55 60 80 105 130
Output Operating mode Constant Current
Load type LED
Ripple requirement (Flickering or Flickering-Free) Flicker value: less than 5% for the whole dimming range
Start up time <1s (@230Vac)
No-load output voltage 50V DC Max. 55V DC Max. 55V DC Max.
Load output voltage range 3-40V DC 12-40V DC 12-40V DC
Full load output power 10W 20W 35W
Load output current 150-350mA 100-550mA 500-1050mA
Constant current/voltage Precision Constant Current Precision ±5%
Wiring method 0.5mm2 Push terminal, wire cross section: 0.75-1.5mm2
Control Method Primary PUSH Dimming Primary PUSH dimming (Max.lead length:20M)
Dimming Range Primary PUSH & DALI dimming: 0%-100%
DALI Dimming DALI dimming (Max.lead length:300M)
Exception Protection Requirements Output over temperature
protection
Yes, without self-recovery function(Can be inquired)
Output short circuit protection Yes, without self-recovery function(Can be inquired)

Operating

Environment

Operating temperature/ humidity -25℃~50℃ Humidity:85% (Non-condensing)
Storage temperature/ humidity -40℃~80℃, Humidity:10%–95%
Max. case temp (Tc) 85℃

Safety

& EMC

EMC standard EN55015 EN61547 EN61000-3-2 EN61000-3-3
DALI protocol standard IEC62386-102, IEC62386-207 DT6 251 252 253
Safety standard EN61347-1 EN61347-2-13
Certification CE
Withstand voltage 3750Vac, 5mA, 60s (Input “L N”- Output “SEC”)
Others Degrees of protection IP20
Type of protection Class II
Installation type Independent installation & built-in installation
With crimping / 116*40.5*22mm 136*42.5*24mm
Without crimping 64.5*40*23mm 78*40.5*22mm 96*42.5*24mm
Blackout memory function Yes, PUSH blackout memory
PUSH dimming synchronization 15 units Max.
Packaging requirement PE bag+Instruction+clapboard+outer carton(K=A)
Weight (With crimping) / 86.9±5g 115.1±5g
Weight (Without crimping) 54±5g 100.5±5g 132.7±5g
Life 5 year @Ta full load
Note: All parameters are tested at the input voltage of 230VAC and a 25 °C environment unless specified.

【Dimension

35W DALI2 & PUSH Dimming Constant Current LED Driver 500-1050mA With NFC Programmable

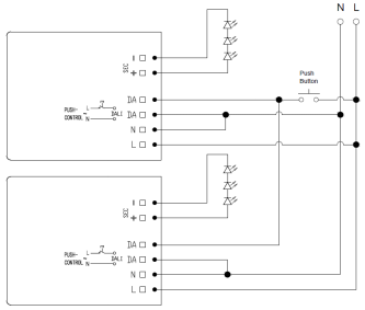
【Wiring Diagram

35W DALI2 & PUSH Dimming Constant Current LED Driver 500-1050mA With NFC Programmable35W DALI2 & PUSH Dimming Constant Current LED Driver 500-1050mA With NFC Programmable

Fig. A DALI Dimming Fig.B Push Dimming

【Derating & Dimming Curve

35W DALI2 & PUSH Dimming Constant Current LED Driver 500-1050mA With NFC Programmable35W DALI2 & PUSH Dimming Constant Current LED Driver 500-1050mA With NFC Programmable

【Current Corresponding Voltage

KL35C-PDiiN
Current(mA) Pomax(W) Uout(V)
500 20.0 3~ 40
550 22.0 3~ 40
600 24.0 3~ 40
650 26.0 3~ 40
700 28.0 3~ 40
750 30.0 3~ 40
800 32.0 3~ 40
850 34.0 3~ 40
900 35.1 3~ 39
950 35.2 3~ 37
1000 35.0 3~ 35
1050 34.7 3~ 33

The typical current data sets are for reference when selecting LED fixture models. More current levels can be set by NFC using a mobile APP adjustable in 1mA steps.

35W DALI2 & PUSH Dimming Constant Current LED Driver 500-1050mA With NFC Programmable

Scan the code to download Merrytek NFC

ON/OFF & Description of Dimming Operation

A. Short-press the PUSH switch (short press time 0.1s-1s), the LED driver will turn on or off.

B. Dimming: Press and hold the PUSH switch (1s-8s). The LED driver can achieve dimming, brightening, or both, with a dimming range of 1-100%.

C. Memory: PUSH dimming has dimming memory function.

D. Dimming synchronization: The power connected to the same PUSH switch can be synchronized by pressing and holding the PUSH switch for longer than 15s

E. DALI dimming mode: Connect the power supply to the DALI system, and it can be dimmed by the DALI host. The dimming range is 0-100%.

【 Matters Needing Attention

1) The LED driver must be connected to the load before turning on the input power; otherwise, the LED driver may be damaged.

2) After the LED drive input is powered off, there will be a residual voltage at the output, which can be maintained for about 3 minutes.

3) Before setting the parameters via NFC, please ensure the driver is powered off.


Product Tags:

35W Constant Current LED Driver

      

DALI2 Dimming Constant Current LED Driver

      

PUSH Dimming Constant Current LED Driver

      
Wholesale 35W DALI2 &amp; PUSH Dimming Constant Current LED Driver 500-1050mA With NFC Programmable from china suppliers

35W DALI2 & PUSH Dimming Constant Current LED Driver 500-1050mA With NFC Programmable Images

Inquiry Cart 0
Send your message to this supplier
 
*From:
*To: Shenzhen Merrytek Technology Co., Ltd.
*Subject:
*Message:
Characters Remaining: (0/3000)